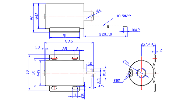
腳位圖:

規格參數:
動作周期 連通 50% 25% 10% 功率消耗 17w 34w 68w 170w ******“ON”時間(秒) ∞ 420 100 25 電壓: DC220V
力量: DC220V時,行程20mm,力量在2200g以上.
上一個:推拉式電磁鐵 SD1564
下一個:拍打式電磁鐵 SD016
腳位圖:

規格參數:
| 動作周期 | 連通 | 50% | 25% | 10% |
| 功率消耗 | 17w | 34w | 68w | 170w |
| ******“ON”時間(秒) | ∞ | 420 | 100 | 25 |
電壓: DC220V
力量: DC220V時,行程20mm,力量在2200g以上.