概述 避雷器用放電計數器是用來監測避雷器放電動作的一種高壓電器,其構造是由非線必電阻、電磁計數器和一些電子元器件組成。在正常運行電壓下,流過計數器的漏電流非常中,計數器不動作。當避雷器通過雷電波、操作波和工頻過電壓時,強大的工作電流從計數的小,非線性電阻通過,經進直流變換,對電磁計數器線圈放電而使計數器吸動一次,來實現測量避雷器動作次數的裝置。
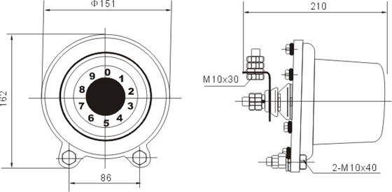
在結構上采用電阻片取壓,電磁計數器顯示,透明玻璃罩、密封橡皮墊、底版及法蘭等進行卡裝密封,高壓出線端從底版中心引出。使用條件 計數器作用的地點和環境與避雷器相同
1 海拔高度≤3000m;
2 環境溫度為-40℃到+40℃;
3 ****風速不超過35m/s;
4 地震烈度7度及以下地區;
5 不適用有嚴重腐蝕金屬及絕緣件氣體、有嚴重污穢和有劇烈震動的地區,如有特殊要求可提出。共同商量而定;
JS-8 型放民計數器適用于 5kA 系統 35KV 及以下電壓等級的避雷器。
JSY-10/600 型氧化鋅避雷器專用放電計數器適用于 5~10kA 系統 110KV 及以下等級的氧化鋅避雷器,并可適用于避雷器的在線檢測。技術參數 
安裝 參照外型圖進行安裝。安裝時,先將計數器用螺栓安裝在避雷器底座附近,連接好接地母線,然后將高壓出線端用螺栓和母線連接在避雷器絕緣底座上。 用戶須知 1. 安裝時用戶不得隨意松動、拆卸高壓端子后帶紅色油漆的螺母及底版上的6只螺栓,以免破壞產品的密封。
2. 計數器指針不在零位或檢測計數器時,可采取如下簡易方法:用搖表及及 600V10μsF 電容器一只,并聯連接。先轉動搖表對電容器充電,斷開充電回路,再迅速將充好電的電容器對計數器放電。







