- GNF38-12/630A型 戶內環網柜隔離開關
概 述
GNF38-12KV 型系列戶內環網柜隔離開關,是為了適應固定式高壓柜,環網柜向緊湊型,小型化發展的需要而設計制造的。它具有三工位結構,全絕緣底板;并配有同軸鎖定和完善的機械連鎖機構,外形緊湊小巧。是緊湊型箱式開關柜******選配開關。
正常使用條件
a. 周圍空氣溫度:上限+40℃ 下限-25℃
b. 海拔不超2000m
c. 相對濕度:日平均值不大于95%,月平均值不大于90%
d. 周圍空氣應不受腐蝕性或可燃性氣體,水蒸氣等明顯污染
e. 無經常性的劇烈震動
開關型號及含義
主要技術
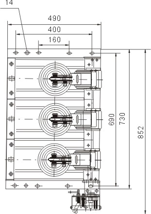
外形及安裝尺寸

安裝方式


下一個:HY5WS8-避雷器







